YYVF2系列新能源汽車助力轉向泵電機_廣州市岳阳鸿光芯片制造集团(WAP站)
253

YYVF2系列新能源(yuán)汽車助力轉向(xiang)泵電機

2019/5/17

1 YYVF2系列新(xin)能源汽車助力(li)轉向泵電機

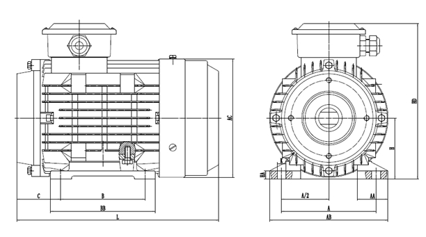
  機(ji)座号:80L~112M

  極數(shu):4、6P

  電壓:110V~380V

  防護等級(jí):IP56/IP67

  絕緣等級:H

  認證(zheng):TS16949汽車零部件質(zhi)量管理體系認(ren)證

  YYVF2系列新能源(yuán)汽車助力轉向(xiàng)泵電機是皖南(nán)電機針🐆對新🌈能(néng)源👉汽車轉向系(xi)統--“電子液壓助(zhù)力轉向系統”(EHPS系(xì)統)研發的新型(xíng)産品。


  适用範圍(wei)

  配套助力轉向(xiàng)泵、應用在新能(néng)源汽車電子液(ye)壓轉💯向系統⭐。


  産(chǎn)品特點

  1

  變頻範(fàn)圍5-50Hz爲變轉矩,50-100Hz爲(wei)恒功率。

  2

  高轉矩(jǔ),峰值轉矩達2倍(bei),峰值持續時間(jian)30秒。

  4

  防護等級爲(wèi)IP56/IP67,鋁壓鑄外殼防(fáng)海浪,符合國際(ji)标準,安全運行(háng)有保障。

  4

  采用H級(ji)絕緣,耐熱度高(gao),抗沖擊性強、絕(jue)緣壽命長。

  5

  通過(guò)ISO/TS16949質量管理體系(xi)認證,電機效率(lü)高、振動小、噪聲(shēng)低、性能穩⭕定。




  YYVF2系列新(xīn)能源汽車助力(li)泵電機外形尺(chi)寸可根據用戶(hù)配套設備需求(qiu)定制。






总 公 司(sī)急 速 版WAP 站H5 版无(wú)线端AI 智能3G 站4G 站(zhan)5G 站6G 站
·
 
·